科爾沁右翼中產品中心
科爾沁右翼中節能泵
科爾沁右翼中自吸泵
科爾沁右翼中磁力泵
科爾沁右翼中隔膜泵
科爾沁右翼中油泵
科爾沁右翼中化工泵
科爾沁右翼中消防泵
科爾沁右翼中螺桿泵
科爾沁右翼中排污泵
科爾沁右翼中離心泵
- 科爾沁右翼中氟塑料離心泵
- 科爾沁右翼中耐腐蝕離心泵
- 科爾沁右翼中多級離心泵
- 科爾沁右翼中單級雙吸離心泵
- 科爾沁右翼中不銹鋼離心泵
- 科爾沁右翼中管道離心泵
- 科爾沁右翼中單級單吸離心泵
- 科爾沁右翼中低轉速離心泵
- 科爾沁右翼中立式離心泵
- 科爾沁右翼中臥式離心泵
- 科爾沁右翼中玻璃鋼離心泵
科爾沁右翼中多級泵
科爾沁右翼中紙漿泵
科爾沁右翼中成套供水設備
科爾沁右翼中一體化預制泵站
科爾沁右翼中污水提升泵站
科爾沁右翼中油水分離器
新聞資訊
聯系我們
聯系人: 陳經理
手機: 152-1660-6588
電話: 152-1660-6588
郵箱: shxinzhili@126.com
地址: 上海市嘉定區春濃路312號
科爾沁右翼中MP微型磁力驅動循環泵
微型磁力泵價格,微型磁力泵選型,微型磁力泵廠家,MP微型磁力驅動循環泵運轉是在連軸上和葉輪上分別裝配有磁性材料而互相吸引偶合,無需配以傳統機械軸封,因而是完全密封的。
MP微型磁力驅動循環泵概述
MP微型磁力驅動循環泵運轉是在連軸上和葉輪上分別裝配有磁性材料而互相吸引偶合,無需配以傳統機械軸封,因而是完全密封的。電動機轉動扭力是通過主動磁及從動磁的引力帶動葉片工作運轉?,F今慣用的磁力驅動泵極大的缺點是在缺液情況下絕對嚴禁運轉否則整機將毀壞,給使用者增添不必要的麻煩和煩惱。驅動循環泵概用無軸封設計,完全避免了傳統機械軸封泵存在的液體泄漏引起的腐蝕后污染的缺陷,是工業設備上理想的液體輸送泵。

MP微型磁力驅動循環泵工作用途
化學工業: 碳酸鈉化工業(鹽酸、氫氟酸、二次化學品的生產);氟化物、化學肥料的生產;
氣體吸收塔反應液體循環;油脂提煉(硫酸);
廢酸類的回收及再生系統;化工廠和運輸車輛間的強酸類輸送。
藥劑業: 半導體用的發光化學物(EL)、農藥、醫藥、水處理化學劑的生產
電鍍業: 循環過濾各類電鍍液。
照片業:即現照相系統;X-光片、黑白、彩色、立體照片的沖曬。
電器用具業:電解質電容器的生產(鋁膜的浸蝕);干電池和蓄電池制造過程中輸送電解液;
電路板的蝕刻;半導體生產過程中輸送高純度化學液。
金屬工業:氧化鋁膜處理設備;線材拉伸、鋼鐵軋制中除油及酸洗;
車輛噴漆前除油及酸洗處理;氧化鈦、稀土元素的生產等。
礦業: 金屬熔煉(輸送及循環電解液);廢液的洗滌處理。
食品工業: 葡萄糖酸的生產(鹽酸);食油的提煉(硫酸);罐裝水果工業(鹽酸)。
醫療: 人造腎臟、心肺、超聲波清洗機及各種醫療設備。
水處理: 清洗離子交換樹脂;純水生產設備;海水淡化設備。
污染控制: 添加污水處理化學藥劑到藥液缸;收集及輸送廢液;
廢氣吸收設備(除臭裝置,排放廢氣前脫硫)。
其它: 應用在銀回收、晶片制造、實驗工廠、制冷機、飲品機、生活鍋爐、熱交換器;
太陽能系統、漂染、激光系統等領域及噴水池、魚池、觀賞魚缸循環使用。
MP微型磁力驅動循環泵結構圖

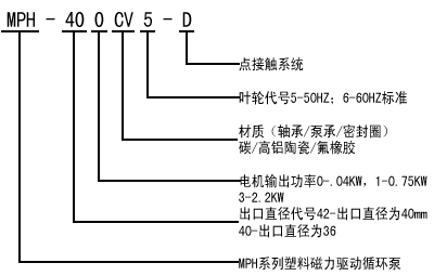
MP微型磁力驅動循環泵型號意義

MP微型磁力驅動循環泵選型技術參數


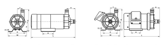
MP微型磁力驅動循環泵外形尺寸


- 上一個:沒有了
- 下一個:沒有了


客服1